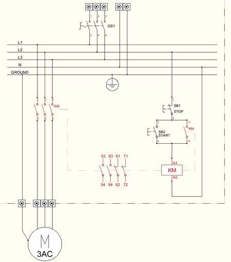
MAKE A MEME View Large Image Blocking switch for driving load.jpg en I had lot of questions from beginners how to switch on the load using only Normal-Open NO button -So it is very simple You're pushing the button SB2 current starts to gain through contactor KM There ...
View Original:Blocking switch for driving load.jpg (800x910)
Download: Original    Medium    Small Thumb
Courtesy of:commons.wikimedia.org More Like This
Keywords: Blocking switch for driving load.jpg en I had lot of questions from beginners how to switch on the load using only Normal-Open NO button -So it is very simple You're pushing the button SB2 current starts to gain through contactor KM There appears circuit hot wire - terminal - SB1 - SB2 and paralel doubled on NO pair 13-14 at relay - contactor KM - zero wire To switch off you should push SB1 button own Dmitry G 2010-06-23 thumb left Lesson 1 - blocking contact driving 1-pole device thumb Lesson 2 - let's complicate 1-st lesson by 3 phases Motor launching circuits Self-blocking button
Terms of Use   Search of the Day